我们非常重视您的个人隐私,当您访问我们的网站时,请同意使用的所有cookie。有关个人数据处理的更多信息可访问《隐私政策》
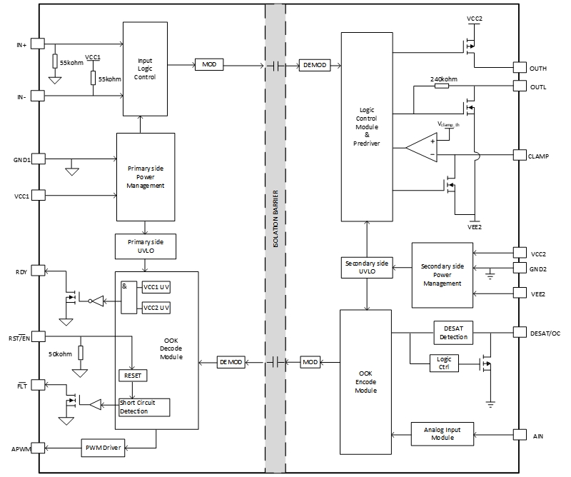
NSI67x0 是一款智能隔离式单通道栅极驱动器,专为驱动IGBT、功率MOSFET 和SiC MOSFET 等功率晶体管而设计,提供卓越的保护功能以确保安全运行。它可提供分离输出,分别控制上升和下降时间,且支持轨到轨输出,并提供最大10A/10A 的拉灌电流能力。NSI67x0 集成了全面的保护功能,包括欠压保护(UVLO)、米勒钳位(Miller Clamp)、DESAT 保护和软关断,并能通过独立引脚报告短路或欠压故障。
NSI67x0 集成隔离采样功能,支持NTC 或母线电压采样,进一步提升了驱动器的集成度,简化系统设计,减少系统尺寸和成本。它具有至少150kV/μs 的共模瞬变抗扰度(CMTI),增强了系统的鲁棒性。驱动器侧的最大耐压为36V,输入侧支持3V 至5.5V 的电源电压。NSI67x0 以其高驱动电流、宽电源电压范围、高CMTI 和优异的保护功能,适用于高可靠性、高功率密度和高效率的开关电源系统、逆变器等应用。
产品特性
• 集成DESAT保护功能的智能隔离式单通道驱动器
• 输入侧电源电压: 3V至5.5V
• 驱动器侧电源电压:最大耐压38V,具有UVLO功能
• 峰值10A/10A拉灌电流能力
• 高CMTI:150kV/μs
• 80ns典型传播延迟
• 30ns最大脉冲宽度失真
• 接受最小输入脉冲宽度40ns
• 轨对轨输出,可选分离输出方式
• 保护模式:
-NSI6713支持原副边ASC,NSI6711支持副边 ASC
-米勒钳位:5.7A
-DESAT保护,阈值9V
-支持软关断功能,软关断电流135mA、420mA可选
-支持故障报警以及复位或使能
• 工作温度: -40℃~125℃
安全认证
• UL1577认证:1分钟5.7kVrms
• CQC认证:符合GB4943.1
• CSA认证:组件符合5A
• VDE认证:DINVDEV0884-17
应用场景
• EV 电驱系统
• 空调压缩机
• DC-AC太阳能逆变器
• 电机驱动
• UPS和电池充电器
功能框图

设计和开发

如您需要咨询产品更多信息,请点击“联系我们”,我们将尽快回复您!