我们非常重视您的个人隐私,当您访问我们的网站时,请同意使用的所有cookie。有关个人数据处理的更多信息可访问《隐私政策》
产品特性
• 满足AEC-Q100 grade 1: TA from –40°C to +125°C
• 工作电压:4.5V~28V (39V钳位电压) ,Cranking电压低至4.5 V
• 驱动电流/每通道:330mA @所有通道ON
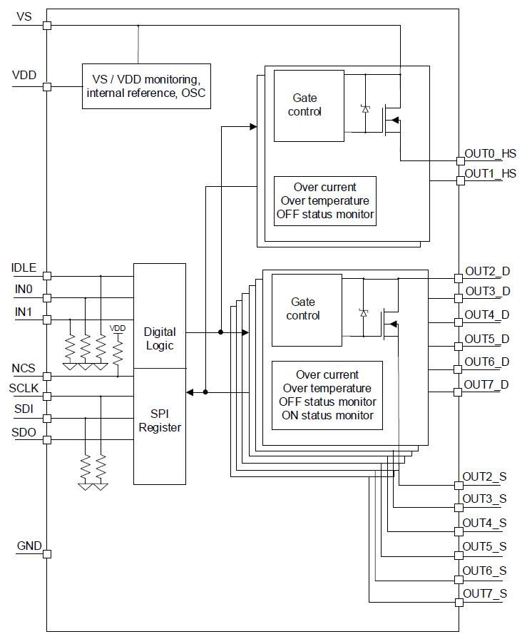
• 16bit SPI 接口:控制及诊断,可菊花链级联
• 单通道内阻:Rds(on)=1Ω @TJ = 25°C,通道可并联使用
• 2个并行输入口IN0/1,可映射控制任意输出通道OUT0~7
• 支持Limp home跛行模式
• 内置2个PWM自动发生器:频率占空比等可配置
• 支持BIM(Bulb Inrush Mode),可驱动2W灯泡等容性负载,在双通道并联模式下,可以驱动5W 灯泡等容性负载
• 超低功耗模式,1uA typ.@Sleep mode
• 全面保护和诊断功能:SCB短路到电源保护、SCG短路到地保护、OCP过流保护、过温保护。过载检测、负载开路检测(OFF&ON state)、输出状态监控、输入状态监控,故障及诊断输出(SPI)
安全认证
AEC-Q100
应用场景
• 汽车继电器
• 汽车LED
• 汽车灯泡
• 汽车有刷/步进电机
功能框图


如您需要咨询产品更多信息,请点击“联系我们”,我们将尽快回复您!