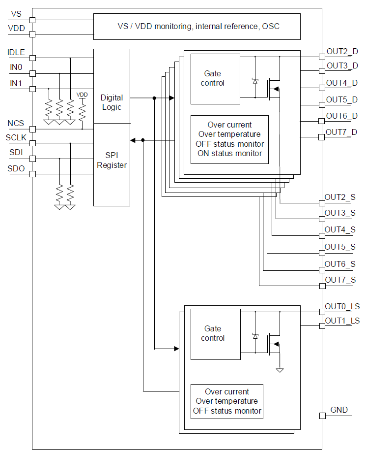
8-Channels configurable high/low side driver series, with working voltage ranging from 4.5V to 28V. Each channel can drive up to 330mA@all channels ON&Ta=85℃. The chip support SPI interface and daisy chain connection, also support Limp home function and advanced protections and diagnosis features, especailly suitable for driving automotive electronical relay, LED, Lamp and motors .etc. various loads.
Product Features
• Satisfy AEC-Q100 grade 1: TA from –40°C to +125°C
• Working voltage: 4.5V~28V (39V clamp voltage) , Cranking voltage down to 4.5 V
• OUtput current/channel: 330mA @All channels ON
• 16bit SPI interface: control and diagnosis, support daisy chain connections
• Per Channel's Rds(on)=1Ω @TJ = 25°C. Channels can be in parallel.
• 2 input IN0/1, can be mapping to any of OUT0~7
• Support Limp home mode
• Integrates 2 PWM generators: Frequency and duty are configuable
• Support BIM(Bulb Inrush Mode), can drive 2W lamp. In parallel of two channels, can drive 5W lamp
• Ultra low power consumption mode: 1uA typ.@Sleep mode
• Fully protections and diagnosis functions: SCB、SCG、OCP、OTP. Over-load detection, open-load detection (at OFF&ON state), output status monitor、input status monitor, fault and diagnosis output(SPI)
Safety Certificate
• AEC-Q100
Application
• Automotive relay
• Automotive LED
• Automotive Lamp
• Automotive brushed DC motor and Stepper motor
Functional Block Diagram


For more product information, please contact us.